細胞の「ゴミ処理工場」が膨れ上がる謎を解明!老化や疾患に関わる新タンパク質を発見
私たちの細胞の中には、「リソソーム」と呼ばれる、細胞内の廃棄物処理システムとして機能する小さな器官が存在します。このシステムが正常に働くことは、細胞の健康、さらには私たちの健康的な老化に不可欠です。しかし、ストレスがかかると、このリソソームが異常に膨れ上がり、水風船のようになることがあります。この「リソソームの空胞化」と呼ばれる現象は、多くの疾患と関連していることが知られています。
この長年の謎に、ピッツバーグ大学医学部の研究チームが光を当てました。2025年8月21日に学術誌「Science」に掲載された新しい研究で、彼らはこの空胞化がどのようにして起こるのか、その中心的なメカニズムを解明したのです。この発見は、将来的にさまざまな疾患の治療や、健康な老化を促進するための新たな治療法につながる可能性があります。
本研究論文のタイトルは「LYVAC/PDZD8 Is a Lysosomal Vacuolator(LYVAC/PDZD8はリソソームの空胞化因子である)」です。
以下では、本研究の責任著者であり、ピッツバーグ大学医学部細胞生物学科の助教兼、ピッツバーグ大学とUPMCの共同研究機関であるエイジング研究所のメンバーでもある、ジェイ・シャオジュン・タン博士(Jay Xiaojun Tan, PhD)の解説を基に、研究の詳細をご紹介します。
リソソームとは?細胞の重要な「ゴミ処理システム」
リソソームは細胞の健康に不可欠なオルガネラ(細胞小器官)です。廃棄物処理システムのように、損傷したタンパク質、古くなった細胞の一部、侵入してきた微生物などを消化します。多種多様な高分子を分解することで、リソソームは細胞の機能と寿命を維持しているのです。
一方、リソソームの空胞化は、リソソームがストレスを受けたり機能不全に陥ったりしている兆候と考えられています。この現象は、リソソーム蓄積症、老化、感染症、化学療法、白内障、カドミウム毒性、プリオン病、そしてパーキンソン病やアルツハイマー病といった神経変性疾患など、非常に広範な病状で見られます。
タン博士の研究室では、リソソームの完全性や活動性を高めるプロセスに特に関心を持っており、「軽度のリソソームストレスは、実はリソソームの質と機能を向上させる適応応答を引き出すことで、有益に働く可能性がある」という考えのもと研究を進めています。
謎の解明:空胞化を制御するタンパク質「LYVAC」
リソソームの空胞化は、何十年もの間、科学者たちを悩ませてきました。この現象が細胞にとって有害なのか、それとも有益なのかは、その形成メカニズムがほとんど理解されていなかったため、不明でした。分子レベルでの手がかりがなければ、この膨らんだリソソームを選択的に除去し、その生理的・病理的な役割を検証することは不可能でした。
今回の研究目標は、リソソーム空胞化の根本的なメカニズムを解明することでした。
研究チームは、細胞がリソソームの空胞化を進行させるための、よく発達したシステムを持っていることを発見しました。さまざまな種類のストレスに応答して、リソソームは溶質で満たされ、それによって水が引き込まれて膜が引き伸ばされます。これは風船を膨らませるのと似ています。
この時、リソソームが破裂する潜在的なリスクを検出するのが、研究チームが「LYVAC(リソソーム空胞化因子:lysosomal vacuolator)」と名付けたタンパク質です。LYVACは、ストレスを受けたリソソームに付着し、膜の構成要素である脂質を供給します。これにより、リソソームは制御された方法で拡大することが可能になるのです。つまり、リソソームの空胞化は自然で、高度に制御された応答であり、LYVACはこのプロセスで中心的な役割を果たし、細胞がストレスに適応し、リソソームの安定性を維持するのを助けていたのです。
驚きの発見:細胞による精密
なストレス応答この研究で特に驚くべき発見は、リソソームの膨張が単なる細胞の受動的な欠陥ではなく、実際には厳密に制御されたプロセスであることでした。細胞は、どのリソソームが問題を抱えているかを正確に把握し、LYVACタンパク質をその問題のあるリソソームだけに送り込んでいるようです。
LYVACは2つのことを行います。まずストレスを受けたリソソームに固着し、次に脂質をそこへ移動させるのを助け、膜が成長して空胞を形成できるようにします。この2つのステップには別々のシグナルが必要で、これによりすべてが正確に保たれ、LYVACが細胞の健康な部分に作用するのを防いでいます。研究者たちはこのような精度を予測しておらず、非常に興味深い発見でした。
今後の展望:疾患治療と健康長寿への応用
LYVACを標的にすることで、さまざまな疾患におけるリソソーム空胞の正確な役割を理解し始めることができます。もし空胞形成が疾患の主要な駆動要因であることが判明すれば、LYVACを阻害することが有望な新しい治療戦略となる可能性があります。
研究チームは今後、LYVACがどのように制御されているか(何がそれを活性化させ、どのようにしてストレス下のリソソームを認識するのか)を探求し続けます。また、リソソームの大きな空胞が自然に現れる神経変性疾患の遺伝的モデルにおいて、LYVACが有益か有害かを検証しています。
この研究は、損傷後のリソソームを細胞が迅速に修復する仕組みを示した以前の「PITT経路」の発見に基づいています。これらの研究を合わせると、細胞がさまざまな種類のリソソームストレスに応答するために、複数の脂質ベースのシステムを持っていることが示唆されます。これらのプロセスをより深く理解することで、細胞を保護し、健康な老化を促進するための新たな戦略が見つかることが期待されます。
その他の著者
本研究のその他の著者には、ピッツバーグ大学およびUPMCから、ハオシャン・ヤン(Haoxiang Yang)氏、ジンルイ・シュン医学博士(Jinrui Xun, MD)、アウィシ・モンダル理学修士(Awishi Mondal)、ボ・ル博士(Bo Lv, PhD)、サイモン・ワトキンス博士(Simon Watkins, PhD)、そしてカリフォルニア大学サンディエゴ校から、ヤージュアン・リー博士(Yajuan Li, PhD)とリンヤン・シー博士(Lingyan Shi, PhD)が参加しています。
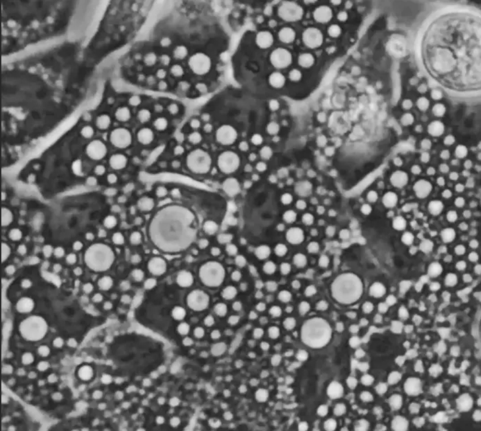
画像:リソソーム由来の数十個の円形液胞を示す顕微鏡画像。 (Credit:Jay Xiaojun Tan Lab)



